| 服务项目 |
“保障好中国14亿人的粮食安全,就是对世界巨大的贡献。” 国务院总理在最近国务院的一场会议中指出。民以食为天,14亿人口大国的粮食安全是重中之重,保障粮食安全事关国家安全和发展大局,是推进农业农村现代化的首要任务。按照党中央、国务院部署,近年来各地各有关部门全力抓好农业生产,粮食连年丰收,重要农产品供给充裕,做到了谷物基本自给、口粮绝对安全,为促进经济社会稳定发展提供了坚实支撑。
在国家推进各行业数字化转型的今天,提高粮食安全也离不开科技的应用。农作物的高产量高品质培育离不开良好的生长环境,包括合适的温度、湿度、土壤酸碱度以及光照条件等,为此电子数码科技可以发挥积极作用促进农业种植的数字化转型,例如土壤监测。本文说明如何测量土壤湿度和pH值,以及基于温度测量电路进行温度补偿的设计思路。
保持适当的土壤含水量和ph值是植物种植者在任何生产规模中的基本要求。土壤水分不足直接转化为任何植物的光合作用下降,以及其他重要的豆科作物如大豆的固氮等生物过程的下降。而施肥或自然现象对土壤的影响会极大地影响土壤酸碱度,从而导致基本微生物和土壤养分的减少。在一些作物中,早期生长阶段土壤酸碱度的不当导致生长速率和最终产量下降。
传统种植靠经验对土壤进行判断,已经不能适应当前科技时代的要求了,为了测量这些土壤特性,开发人员需要设计高成本效益模拟信号链,能够将原始数据转换成特定土壤测量应用所需的有用信息。
图1所示电路是一种完整的单电源、低功耗、高精度解决方案,用于土壤湿度和pH值测量,包含温度补偿功能。该电路针对容性土壤湿度传感器进行了优化,这类传感器对水的盐度不敏感,并且不会随着时间推移而受到侵蚀。
该电路还能测量土壤pH值,此功能适合多种不同应用。电路所需总电流(不包括湿度传感器)最大值仅为1.95 mA。利用脉宽调制(PWM)信号,仅在需要使用湿度传感器的很短时间内使能传感器,可以最大程度地减少其所需额外功耗。

对于大多数农作物,最适宜的土壤pH值是5.2到8.0。所有植物都会受极端pH值影响,但它们对酸度和碱度的耐受程度有很大不同。有些植物能在宽范围的pH值下生长良好,但也有些植物对酸度或碱度的细小变化非常敏感。
可使用组合pH电极来测量pH值。它由一个参考电极和一个环绕其周围的同心玻璃电极组成。pH电极产生一个对应于土壤pH值的小直流电压。对测得的pH值进行评估,确 定其是否在特定作物生长所需的pH值范围内。然后利用该方法,通过提升pH值(增加钙等酸性中和剂)来校正土壤酸度,或通过降低pH值(如增加硫)来降低碱度。
因为pH传感器一般具有较高的阻抗输出(约1 GΩ),无法驱动ADC输出,所以需要一个高精度运算放大器来缓冲传感器输出。由于传感器的输出阻抗高,为了最小化偏置误差,低运算 放大器输入偏置电流就非常重要。在本电路设计中,使用了ADA4661-2 轨到轨运算放大器。pH传感器提供双极性输出,输出的最大信号为±414 mV。AD7124的内部偏置生成器可用于将其输入共模电压设置为 AVDD/2, 从而在传感器输出端产生 AVDD/2 ± 414。
电路利用ADA4661-2精密运算放大器缓冲高阻抗pH值探针输出并驱动ADC。ADA4661-2是一款双通道、精密、轨到轨输入/输出放大器,针对低功耗、高带宽和宽工作电源电压范围应用进行了优化。为使流经高输出阻抗(约1 GΩ)pH传感器的偏置电流引起的失调误差最小,典型输入偏置电流为0.15 pA。ADA4661-2的失调电压仅有150 μV。
pH传感器输出是双极性信号,25°C时最大值为±414 mV。AD7124-8采用单电源工作,因此pH探针应偏置到地以上,使其处于AD7124-8的可接受共模范围之内。AD7124-8的集成特性之一是其内部偏置电压发生器,它将一个通道的共模电压设置为AVDD/2或1.65 V。这个来自ADC的偏置电压被施加于pH探针屏蔽层,并将传感器输出设置为1.65 V ±414 mV(25°C时)。

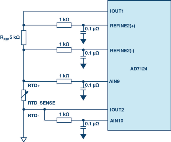
pH值测量通常需要温度补偿,因为温度对pH探针的灵敏度有重大影响。pH探针在25°C时的理想输出为59.154 mV/pH,但会随着被测样本的实际温度而变化。温度测量采用三线电阻温度检测器(RTD)进行,如图2所示。该温度测量电路是一个基于24位Σ-Δ型ADC AD7124-8的3线电阻温度检测器(RTD)系统。pH值测量的温度效应可利用RTD温度来补偿。
影响农作物生长和产量的一个重要因素是土壤水含量。因此,土壤湿度测量对农业灌溉系统中的水保护十分重要。当今业界使用的常见土壤湿度传感器大多是容性传感器。容性传感器测量土壤的水含量,土壤总量中的水量会影响介电常数。水的相对介电常数εr = 80,远大于土壤中其他元素的相对介电常数,如矿物质(εr = 4)、有机物质(εr = 4)和空气(εr = 1)等。土壤中水含量的变化会引起介电常数变化,进而导致电容改变。
湿度传感器将测得的探针间电容转换为直流电压,该直流电压直接接入ADC以转换为对应的体积含水量(VWC)。
物联网技术的普及促使越来越多的企业开发利用在土壤检测、测量、转换方面的专业技术,以及对物联网生态系统的深入研究,构建了完整的从传感器到云端的解决方案,将让农场主能够在整个种植周期内做出更好的决策,最终改善农作物的品质,提高经济效益和环境成效。本文的示范电路为土壤湿度和酸碱度检测提供了一个经验证的信号链解决方案。
特朗普关税叒生变!纳指跌入回调区域,英伟达跌5.7%,股价创6个月新低
《嵌入式系统设计》4-嵌入式系统介绍(嵌入式系统定义到Hunter ICC灌溉控制器)
OpenAI与甲骨文共建“星际之门”:德州数据中心将部署6.4万枚英伟达AI芯片
下一篇:基于STC8单片机兼容传统51开发板设计及双语言编程的教学探究*